About Us
Hulian R5901021830
Description
Package Information
Inquiry



![]()

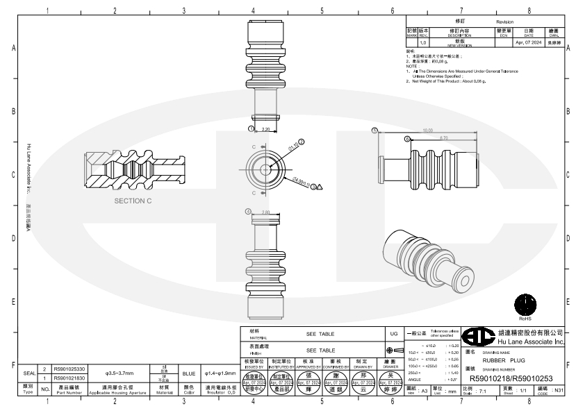
» 產品ID品號: R5901021830
» 產品品號: R5901021830
» 尺寸(mm): L:10 D1:1.1 D2:4
