About Us
Hulian 309500062DPB
Description
Package Information
Inquiry
![]()




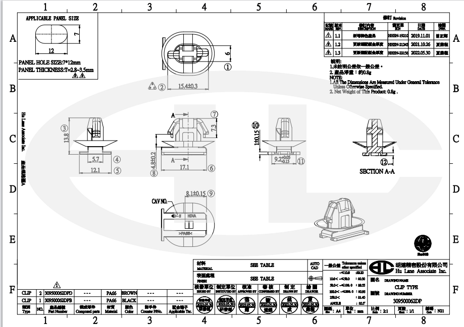
» 產品ID品號: 309500062DPB
» 產品品號: 309500062DPB
» 尺寸(mm): L:19.9 W:16.5 H:13.8
» 系列碼: HDVA
