About Us
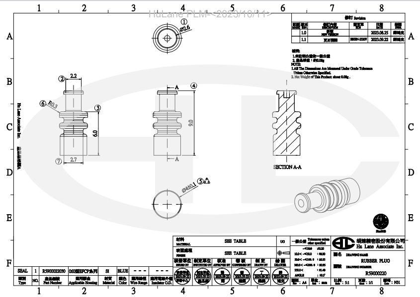
Hulian R5900022030
Description
Package Information
Inquiry




» 產品ID品號: R5900022030
» 產品品號: R5900022030
» 尺寸(mm): L:9 D1:0 D2:4
