About Us
Hongfa HFK10-T(C16) Series
Description
Package Information
Inquiry

Features
● Max.continuous current 20A(105℃)
● Extended temp. Range up to 105℃
● With highly established reliability
● Strong resistance ability to shock & vibration
● Reflow soldering version available
● RoHS, ELV compliant
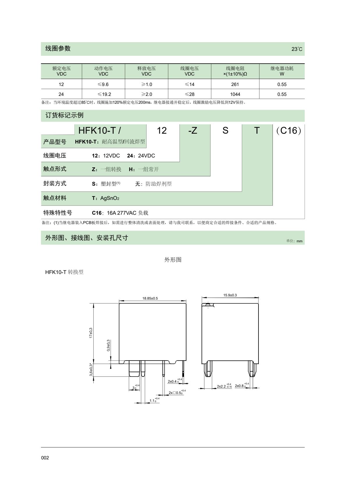
主要参数
| 线圈电压类型 | DC | 线圈工作电压 | 12 | 触点形式 | 一组常开 |
| 触点数 | 单触点 | 引出端形式 | 印制板式 | 安装形式 | PCB安装 |
| 封装形式 | 塑封型 | 引出端结构形式 | PCB引出端 | 线圈功率 | 0.55W |
| 线圈特征 | 单稳态 | 触点材料 | AgSnO2 | 绝缘等级 | - |
| 线圈并联元件 | - | 包装形式 | 型管 | 负载电压 | 277 |
| 额定线圈功率 | 约0.55W | 介质耐压 | 2500VAC 1min | 动作时间(单位:ms) | 10ms |
| 释放时间(单位:ms) | 10ms | 爬电距离(单位:mm) | 4.4 | 电气距离(单位:mm) | 4.4 |
| 绝缘电阻(单位:MΩ) | 100 | 最大额定切换电流(AC) | 16 | 最大额定切换电流(DC) | - |
| 最大切换电压(AC) | - | 最大切换电压(DC) | - | 温度范围 | -40 ℃ - 105 ℃ |
| 机械耐久性(单位:次) | 300000 | 电耐久性(单位:次) | 50000 | 触点间隙(单位:mm) | - |
| 产品应用领域 | 车载充电机OBC领域 | 产品应用场合 | 车载充电机OBC领域 | ||
| 重量(单位:g) | 约14 | 体积(单位:mm3) | 18.85×15.9×17 | ||



包装规格
产品型号 | 内包装方式 | 内包装最小数量 | 型管外尺寸 (长x宽x高cm) | 纸箱规格(长x宽x高cm) | 单只净重 (最大值)g | 总数量 (只) | 净重 (最大值)kg | 毛重 (最大值)kg | 允许最大堆码层数 (层) |
HFK10(编带包装) | 盘带 | 140只/盘 | φ38×w4.4 | 43x43x31 | 12 | 700 | 8.4 | 13.8 | 6 |
HFK10 | 型管 | 30只/管 | 52.3x2.1x2.5 | 56x21x17 | 12 | 1200 | 14.4 | 17.3 | 5 |
