About Us
PEC EVFC-φ20 Series
Description
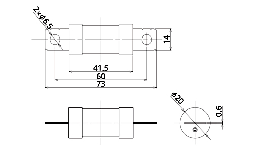
Package Information
Inquiry

Product Name:EVFC New energy vehicle fuse
Rated voltage: <DC500V
Breakout ability:16000A
Temperature range:-40˚C~125˚C
Material: Alloy, sterling silver
conform to:ROHS PSE

Fuse characteristics | ||
Current Percentage % | Min | Max |
110 | 4H | / |
200 | 8s | 150s |
300 | 1s | 15s |
500 | 0.05s | 1s |
Product Line | Current(A) | Bolt size | diameter | resistance( mΩ ) | Voltage drop(mV) |
2801 | 60 | M6 | φ20 | 1.40 | 48 |
2802 | 70 | 1.20 | 49 | ||
2803 | 80 | 1.10 | 49 | ||
2805 | 100 | 0.9 | 51 | ||
2805 | 125 | 0.7 | 51 | ||
Voltage drop: When powered on with 50% of the rated current. *If you have any requirements other than the product details listed, please consult separately. | |||||

